Triedy zosilňovačov
Pracovné triedy zosilňovačov
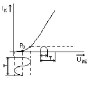
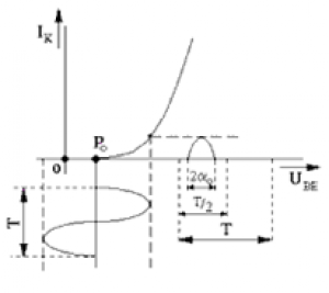
Delenie podľa polohy kľudového pracovného bodu
- zosilňovače triedy A,
- zosilňovače triedy B,
- zosilňovače triedy AB,
- zosilňovače triedy C.
Trieda zosilňovača je určená polohou pracovného bodu na prevodovej charakteristike tranzistora. Prevodová charakteristika je závislosť kolektorového prúdu na prúde do bázy tranzistora.
Trieda A
Zosilňovač triedy A má kľudový pracovný bod umiestnený v lineárnej časti charakteristiky. Výstupný kolektorový prúd IC prechádza tranzistorom po celú dobu periódy budiaceho signálu prúdu do bázy IB. Hovoríme, že uhol otvorenia je 360°, čo zapisujeme ako θ = 2π. Pretože i bez budenia prechádza zosilňovacím prvkom (tranzistorom) pomerne velký kolektorový prúd, má trieda A malú účinnosť – menej ako 50 %.
Výhodou triedy A je malé skreslenie. V triede A pracujú jednočinné zosilňovače a zosilňovače malých výkonov, kde je malá účinnosť vyvážená jednoduchosťou, malým počtom súčiastok a relatívnou spoľahlivosťou.

Trieda B
Zosilňovač pracujúci v triede B má kľudový (pracovný) bod umiestnený v bode zániku kolektorového prúdu. Uhol otvorenia je θ = π. V kľudovom stave bez budenia neprechádza tranzistorom prúd a preto má zosilňovač triedy B veľkú účinnosť (70 až 75 %). Pretože je jedna polperióda potlačená, využíva sa trieda B v dvojčinnom zapojení, kde každý tranzistor spracováva jednu polovicu budiaceho signálu.

Trieda AB
Pri malých budiacich signáloch sa pracuje v zakrivených častiach charakteristík (narastá skreslenie). Takéto zosilňovače pracujú v triede AB. Pracovný bod sa nachádza medzi polohami pre triedu A a B (bližšie k triede B). Uhol otvorenia je π < θ < 2π
Trieda C
Zosilňovač triedy C má pracovný bod za oblasťou zániku kolektorového prúdu, tzn. že časť signálu sa oreže a zbytok zosilní. Uhol otvorenia je θ < π. Účinnosť je približne 85 až 90 %. Tieto zosilňovače majú však veľké skreslenie. Preto sa používajú tam, kde tento nedostatok nie je chybou, napr. v oddeľovačoch, obmedzovačoch apod.

Invertujúci napäťový zosilňovač (invertor)
Ak privedieme vstupné napätie cez rezistor na invertujúci vstup (-) operačného zosilňovača a ak použijeme ďalší rezistor pre spätnú väzbu vznikne invertujúci napeťový zosilňovač, skrátka invertor. Operačný zosilňovač je zapojený tak, že vstupný signál je privedený na invertujúci vstup operačného zosilňovača cez sériový rezistor, neinvertujúci vstup operačného zosilňovača je pripojený na zem. Z výstupu je vedená záporná spätná väzba na invertujúci vstup cez rezistor. Z toho je napäťové zosilnenie (zisk) invertujúceho zosilňovača. Je zrejmé, že zosilnenie nie je závislé od konštrukcie samotného operačného zosilňovača ale je dané len pomerom spätnoväzbových odporov. Znamienko mínus znamená invertovanie signálu. Ak si uvedomíme, že výstupné napätie celého zosilňovača je zhodné s napätím na rezistore, potom výstupné napätie môžeme vyjadriť:

Z toho je napäťové zosilnenie (zisk) invertujúceho zosilňovača

Prevodová charakteristika OZ :

Charakteristické pre OZ je existencia troch pracovných oblastí. Sú dve oblasti nasýtenia, kedy výstup nadobúda napäťovú úroveň rovnú približne kladnému alebo zápornému napájaciemu napätiu. Tieto pracovné oblasti sa využívajú v zapojeniach OZ vo funkcii komparátora. Tretia oblasť je oblasť lineárnej činnosti OZ, kedy OZ pracuje ako zosilňovač malých vstupných signálov (rádovo mV až μV ) so zosilnením AUo.